Моите пазари

Спирала 60 градуса V Groove гравиране инструмент плосък дъно CNC рутер битове 1/8 инчов болт за алуминий MDF твърда дървесна мед 5PCS

Спирала 60 градуса V Groove гравиране инструмент плосък дъно CNC рутер битове 1/8 инчов болт за алуминий MDF твърда дървесна мед 5PCS

Особеност: ВИСОКА ЕФЕКТИВНОСТ: CNC Router Bit притежава остър ръб, който е в състояние за бързо гравиране, което прави висока ефективност. СУПЕР ЧИП ОТМЕН...
1/8 \

1/8 \"Shank Carbide Ball Nose End Mill Cutter CNC Router Bits Double Flute Spiral Set Tool-17mm

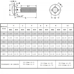
Спецификация: Материал: Карбид Брой флейти: 2 Диаметър на стеблото (SD): 3.175 мм (1/8) " ) приблизително Диаметър на режещия ръб (CED): 3.175mm (1/8) " ) приблизит...
top